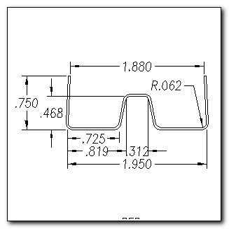
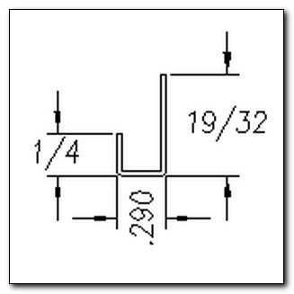
U and J Channels
Roll forming is a high speed production process that converts metal into linear roll formed shapes that are channels, angles, tubes, and rings. Roll formed U and J channels can be made from all types of metal and are often referred to by the metal that is used to form the U and J channels.
U and J channels may also be referred to by their application. For example, baffles, barricade legs, bottom rail, control joint, corner bead, door track, door trim, edging, expansion joint, fireplace trim, frame, bottom bar garage door slat, grape stakes, louvers, mullion strip, nail fin, refrigerator shelf supports, screen frame, shelf ladder, shelf rail, sign post, slat, spacer, stiffener, tie bracket, top rail, track, etc.






















































































































































































































